Product Center
XSU series cross roller bearings
- TheXSUtypecrossrollerbearing(integratedinnerandouterrings)hasbeenprocessedwithinstallationholes,sothereisnoneedtofixflangesandsupportseats.Inaddition,duetotheuseofanintegratedinnerandouterringstructurewithaseat,installationhasalmostnoimpactonperforma...
onabearing@foxmail.com
+8618638806302
- Product Description
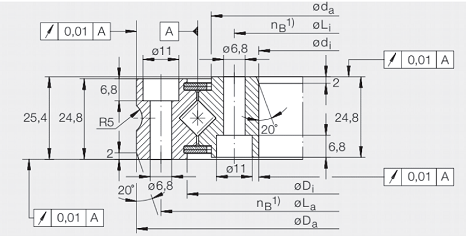
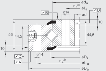
The XSU type cross roller bearing (integrated inner and outer rings) has been processed with installation holes, so there is no need to fix flanges and support seats. In addition, due to the use of an integrated inner and outer ring structure with a seat, installation has almost no impact on performance, thus achieving stable rotational accuracy and torque. Can be used for outer and inner ring rotation.
Structural features: Cross roller bearings are cylindrical rollers arranged perpendicular to each other on a 90 degree V-shaped groove rolling surface through isolation blocks. Therefore, cross roller bearings can withstand multi-directional loads such as radial loads, axial loads, and torque loads. The size of the inner and outer rings has been miniaturized, and the form is closer to the small size, with high rigidity and accuracy up to P5, P4, P2 levels.
Application areas: Therefore, it is suitable for joint and rotating parts of industrial robots, rotating tables of machining centers, precision rotating workbenches, medical machines, calculators, military, IC manufacturing equipment and other equipment.

轴承型号Bearing type | 轴径 shaft diameter | 主要尺寸 Main dimensions | 基本的额定负荷(轴向) Basic load rating(axial) | 基本的额定负荷(径向) Basic load rating (radial) | 转速Limiting speed | 重量weight | |||||
内径inner ring | 外径outer ring | 宽度width | 安装孔 | Ca | C0a | Cr | Cor | ||||
d | D | B | na | kN | kN | kN | kN | r/min | Kg | ||
XSU080168 | 130 | 130 | 205 | 25.4 | 12 | 66 | 1900/8/27 | 42 | 96 | 227 | 3.3 |
XSU080188 | 150 | 150 | 225 | 25.4 | 16 | 71 | 1900/10/1 | 46 | 110 | 203 | 3.7 |
XSU080218 | 180 | 180 | 225 | 25.4 | 20 | 77 | 1900/11/10 | 49 | 127 | 175 | 4.3 |
XSU080258 | 220 | 220 | 295 | 25.4 | 24 | 84 | 1901/1/9 | 54 | 151 | 148 | 5.1 |
XSU080318 | 280 | 280 | 355 | 25.4 | 28 | 93 | 1901/4/9 | 59 | 185 | 120 | 6.3 |
XSU080398 | 360 | 360 | 435 | 25.4 | 36 | 106 | 1901/8/12 | 68 | 236 | ||

轴承型号Bearing type | 轴径 shaft diameter | 主要尺寸 Main dimensions | 基本的额定负荷(轴向) Basic load rating(axial) | 基本的额定负荷(径向) Basic load rating (radial) | 转速Limiting speed | 重量weight | |||||
内径inner ring | 外径outer ring | 宽度width | 安装孔 | Ca | C0a | Cr | Cor | ||||
d | D | B | na | kN | kN | kN | kN | r/min | Kg | ||
XSU140414 | 344 | 344 | 484 | 56 | 24 | 2 | 229 | 1901/6/3 | 146 | 250 | 28 |
XSU140544 | 474 | 474 | 614 | 56 | 32 | 2.5 | 270 | 1901/11/10 | 170 | 330 | 38 |
XSU140644 | 574 | 574 | 714 | 56 | 36 | 2.5 | 290 | 1902/3/10 | 185 | 395 | 44 |
XSU140744 | 674 | 674 | 814 | 56 | 40 | 3 | 315 | 1902/7/18 | 200 | 455 | 52 |
XSU140844 | 774 | 744 | 914 | 56 | 40 | 3 | 340 | 1902/11/15 | 215 | 510 | 60 |
XSU140944 | 874 | 874 | 1014 | 56 | 44 | 360 | 360 | 1903/3/15 | 227 | 580 | 67 |
- Online Inquiry
